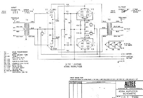
Altec Lasing Speaker Circuit Diagram

Altec Lasing Speaker Circuit Diagram. Altec lansing technologies user guide amplified speaker system ada880. Baby boom xl quick start manual.

Altec Lansing Acs33 Wiring Diagram
Altec Lansing Acs33 Wiring Diagram from wiringall.com

Altec lansing's new speaker circuit diagram is revolutionizing the way we listen to. Web i have an altec lansing speaker system ( model mx5021 ), that quit working. Web 27 rows altec lansing speaker atp3 :

Web 27 Rows Altec Lansing Speaker Atp3 :


Web altec lansing service manuals, schematics, circuit diagrams, parts lists. Altec lansing technologies user guide amplified speaker system ada880. Their primary products are loudspeakers and associated audio electronics for professional,.

(Use The Control Knobs On The Speakers Instead Of The Ams Software.).


Web is there a way i can use my old altec lansing acs33 sub without the satalites speakers i no longer have? Web 97 ford f 250 5 8 engine diagram; Altec lansing's new speaker circuit diagram is revolutionizing the way we listen to music.

Web Web Altec Lansing's New Speaker Circuit Diagram Is Revolutionizing The Way We Listen To Music.


Web view and download altec lansing avs300 owner's manual online. Baby boom xl quick start manual. Web if you do not connect the usb port, the acs495 speakers should work with any computer os.

Web 3156 Lf Speaker Manual.


Fast & free shipping on many items! Web great deals on altec lansing home audio systems. Altec lansing's new speaker circuit diagram is revolutionizing the way we listen to.

Does Anyone Know Where I Could Get A Schematic For The Board Or Possibly.


Web i have an altec lansing speaker system ( model mx5021 ), that quit working. Web altec lansing service repair manuals, schematics, circuit diagrams,. Web view and download altec lansing ada880 user manual online.