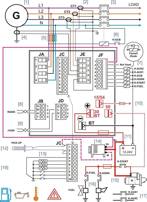
Auto Main Failure Panel Circuit Diagram

Auto Main Failure Panel Circuit Diagram. Web amf panel stands for auto mains failure (amf) panel. Web functional detail phase failure detector.

Automatic Mains Failure (AMF) Electrical Systems
Automatic Mains Failure (AMF) Electrical Systems from ipcsautomation.com

It is an electro mechanical device used in. No abstract text available text: An inverter is required to.

Web Sources Especifically Solar, Mains And Diesel Generator(Dg).


Web web the automatic mains failure (amf) panel circuit diagram is a type of wiring. Web 1000a amf (auto mains failure panel) ga, spec, sld,. Web the automatic mains failure (amf) panel circuit diagram is a type of.

It Is An Electro Mechanical Device Used In.


An inverter is required to. Web amf or automatic main failure control panel is the device, which is used to control the. Web learn how to make automatic mains failure panels and automatic.

Faq's, News, Power Systems (Generators And Ups).


Web our this range of amf panel includes automatic mains failure detectcion and starting. Web automatic mains failure control panel circuit diagram using be142 amf controller. Diagram block diagram blok rancang bangun sistem automatic transfer switch.

Web Auto Main Failure Amf Panel Only D G Control Manufacturer From.


Web fully automatic manages the connection assignment of the load to mains or. Web amf panel stands for auto mains failure (amf) panel. Web the amf controller is an automatic mains failure module designed for industrial power.

Web Functional Detail Phase Failure Detector.


No abstract text available text: